Моя мечта объемом 400л.
#81
Отправлено 10 Февраль 2019 - 14:54
#82
Отправлено 10 Февраль 2019 - 15:00
#83
Отправлено 10 Февраль 2019 - 15:01
#84
Отправлено 10 Февраль 2019 - 15:01
Давайте так когда вы планируете запуск, примерно?
Готовы вы потратить порядка 10-40 т. р. на водоподготовку?
#85
Отправлено 10 Февраль 2019 - 15:03
А что предлагаете?
#86
Отправлено 10 Февраль 2019 - 15:10
Запчасти с алиэкспоесса идут 1-2 месяца! Будет у вас 0 на выходе и будите дочищать смолой! Просто на заполнение банки у вас уйдёт не один литр смолы! Это бессмысленная трата!
#87
Отправлено 10 Февраль 2019 - 15:15
#89
Отправлено 10 Февраль 2019 - 15:20
Только три 75 там не заработают
Третья будет завоздушена постоянно или на выходе первых двух будет говно
И вторая ступень не так завязана
#90
Отправлено 10 Февраль 2019 - 15:23
#91
Отправлено 10 Февраль 2019 - 15:24
#92
Отправлено 10 Февраль 2019 - 15:55
#93
Отправлено 10 Февраль 2019 - 16:00
Можно и по ней собрать, она так же рабочая но она дороже на много!А схему dnk смотрели? Она точно работает
На 75 -100 мембране это золотая середина которую потом можно модернизировать на большую производительность
#95
Отправлено 10 Февраль 2019 - 16:40
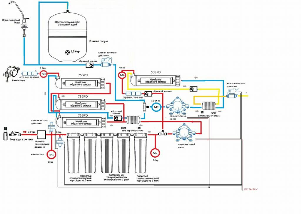
Нет, если грубо, очень грубо, эта на 75-75-75-50 мембранах 10 т. р. а на 400-300-200-100 (не помню точно какие там мембраны в статье у dnk) 20 т. р.Я уже запутался с этими схемами![ 28]вы имеете ввиду вот эта схема дороже чем та которая в статье про водоподготовку
tapatalk_1549800947467.jpeg
#96
Отправлено 10 Февраль 2019 - 16:43
#98
Отправлено 10 Февраль 2019 - 18:14
1. С начала пенник потом ЖК и Наполнитель или наоборот?
2. высота перегородок нормальная или лучше сделать выше и поставить подставку под пенник?
#99
Отправлено 10 Февраль 2019 - 18:41
Экспорт нитратов-фосфатов какой планируется? Пелетсы, водорослевик, скрабер? В сампе не предусмотрено.
Сам пенник будет стоять на подставке? во всём сампе везде один уровень будет?
Как осуществляется левитация губок?
#100
Отправлено 10 Февраль 2019 - 18:42
А размер банки и правда отличный, почти идеальный ![]()
Количество пользователей, читающих эту тему: 1
0 пользователей, 1 гостей, 0 анонимных











