Итак продолжим мучить ИБП который мучает меня:
Купил новый аккум 100А, не обслуживаемый,MUTLU SFB 2 60045 100 АЧ 830A,Ca-Ca Silver
подключил, он дозарядился от ИБП , подключил нагрузку 2 помпы возврат и пенник в сумме около 80-90вт. погонял часов 10 до ~40% емкости аккума,Снова зарядил,и в режиме буфера-ожидания ИБП дает напряжение заряда 14.4вольта. при отключении ИБП от аккума на батарее 12.9в. Я считаю для буфера 14.4в ОЧЕНЬ много.Температура кипения электролита начинается при 13.8-13.9в. и из за этого простые аккумы умирали!Т.е. 14.4в это ТОЛЬКО для гелевых батарей нормально, для силовых не обслуживаемых и обслуживаемых 14.4 это много, тем более при постоянной 20-25гр. температуре содержания
Посовещавшись с коллегами аквариумистами,и начитавшись кучи статей,и видюшек,я решил уменьшить буферное напряжение до 13.2в.
Повезло даже найти СХЕМУ на мой ИБП,и инструкцию по ремонту.
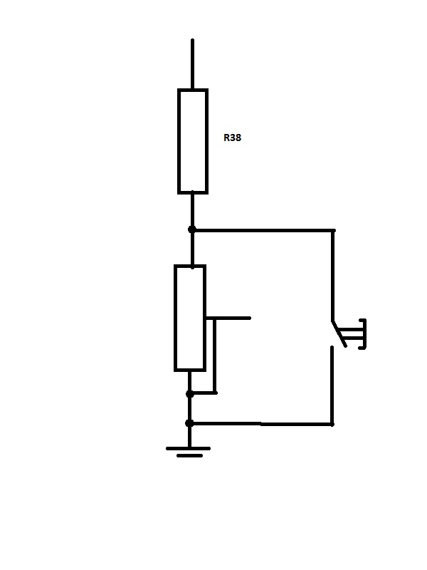
Один пользователь выложил и свое решение проблемы, как уменьшить с 14.4в до 13.2в
Т.е. резистор R38 220кОм увеличить сопротивление, теоретически до 250кОм. подстроечным резистором.
Я заказал подстроечный резистор на 100кОм. Впаяю последовательно к существующему 220кОм. и должно быть счастье без выкипания 
Выкладываю тут тоже СХЕМУ и Инструкцию для ремонта ИБП INELT Intelligent 500LT2 и 1000LT2
Иструкция на INELT Intelligent 500LT2.pdf 302,2К
292 скачиваний
nnt500 СХЕМА 101.pdf 46,48К
509 скачиваний
Руководство по диагностике и ремонту ИБП серии Intelligent - LT2.pdf 1,09МБ
505 скачиваний