Перейти к содержимому

Open

Фотография
- - - - -

Снова про двустадийный осмос


  • Авторизуйтесь для ответа в теме
Сообщений в теме: 165

#141 SergeyL

SergeyL

    Продвинутый пользователь

  • Пользователи
  • PipPipPip
  • Cообщений: 3 907
  • Меня зовут:Сергей
  • Откуда:Калининград

Отправлено 24 Февраль 2025 - 17:51

Чтобы эта схема работала, надо на сливе поставить манометр и краник перед обранным клапаном.

Запускаем систему при закрытом кране, смотрим на манометр, при окрытии крана давление должно упасть примерно на 0,5 бар.

Если нет, то придется понижать давление на входе в фильтр.



#142 SergeyL

SergeyL

    Продвинутый пользователь

  • Пользователи
  • PipPipPip
  • Cообщений: 3 907
  • Меня зовут:Сергей
  • Откуда:Калининград

Отправлено 24 Февраль 2025 - 18:05

2. Разумеется, давление промывной воды мембраны второй стадии будет значительно выше, чем давление в водопроводе. Если непонятно, почему, без объяснений - просто поверьте на слово тому, кто продал 400 двухстадиек :)

Я не верю на слово, тем более когда это противоречит элементарной логике )

Мне очень жаль тех 400 человек, кто поверил вам на слово ))



#143 DAN 555

DAN 555

    Продвинутый пользователь

  • Пользователи
  • PipPipPip
  • Cообщений: 280
  • Меня зовут:Денис
  • Откуда:Москва

Отправлено 24 Февраль 2025 - 18:30

грязная, она же концентрат, слив, ретентат и тд и тп.

 

каким образом она у вас течет в сторону входа первой ступени? если у вас там давление 3,7 ???

 

понятия не имею как она там течет, я же не могу этого проверить



#144 SergeyL

SergeyL

    Продвинутый пользователь

  • Пользователи
  • PipPipPip
  • Cообщений: 3 907
  • Меня зовут:Сергей
  • Откуда:Калининград

Отправлено 24 Февраль 2025 - 18:37

понятия не имею как она там течет, я же не могу этого проверить

при такой разнице давления она точно не течет.

 

как проверить я вам выше написал: кран+манометр.



#145 DAN 555

DAN 555

    Продвинутый пользователь

  • Пользователи
  • PipPipPip
  • Cообщений: 280
  • Меня зовут:Денис
  • Откуда:Москва

Отправлено 24 Февраль 2025 - 18:51

на слив второй мембраны поставил манометр, за ним кран, потом обратный клапан идет

включаю, на закрытом кране (получается после слива второй ступени)  - 5.5 бар

с открытым краном - 3.5



#146 DAN 555

DAN 555

    Продвинутый пользователь

  • Пользователи
  • PipPipPip
  • Cообщений: 280
  • Меня зовут:Денис
  • Откуда:Москва

Отправлено 24 Февраль 2025 - 19:04

поставил слив второй ступени через кран тонкой регулировки напрямую в канализацю, открыл почти полностью. По TDS ничего не поменялось



#147 SergeyL

SergeyL

    Продвинутый пользователь

  • Пользователи
  • PipPipPip
  • Cообщений: 3 907
  • Меня зовут:Сергей
  • Откуда:Калининград

Отправлено 24 Февраль 2025 - 19:12

на слив второй мембраны поставил манометр, за ним кран, потом обратный клапан идет

включаю, на закрытом кране (получается после слива второй ступени)  - 5 бар

с открытым краном - 3.5

Это при открытом сливе чистой воды/осмолята?

Это было бы супер, но верится с трудом.

Если насос дает 8 бар, соотношение грязная/чистая на первой ступени не ниже 2/1, давление даже при перекрытом сливе второй не может быть больше 2,5 бар.



#148 SergeyL

SergeyL

    Продвинутый пользователь

  • Пользователи
  • PipPipPip
  • Cообщений: 3 907
  • Меня зовут:Сергей
  • Откуда:Калининград

Отправлено 24 Февраль 2025 - 19:15

поставил слив второй ступени через кран тонкой регулировки напрямую в канализацю, открыл почти полностью. По TDS ничего не поменялось

если кран открыть полностью, то осмолята не будет совсем ))

Если мембрана не промывалась, то надо или промыть ее принудительно или долго ждать пока промоется.

сравните на глаз, потоки чистая/грязная должны быть примерно равны.



#149 DAN 555

DAN 555

    Продвинутый пользователь

  • Пользователи
  • PipPipPip
  • Cообщений: 280
  • Меня зовут:Денис
  • Откуда:Москва

Отправлено 24 Февраль 2025 - 19:17

При открытом сливе чистой воды из второй ступени, давление на сливе грязной воды второй ступени 5.5 бар (только что измерил заново)



#150 DAN 555

DAN 555

    Продвинутый пользователь

  • Пользователи
  • PipPipPip
  • Cообщений: 280
  • Меня зовут:Денис
  • Откуда:Москва

Отправлено 24 Февраль 2025 - 19:19

при открытом кране чистой воды - там не то чтобы совсем нет, капает немного, ну считай что нет

 

Сделал слив 1/1  - TDS 5



#151 SergeyL

SergeyL

    Продвинутый пользователь

  • Пользователи
  • PipPipPip
  • Cообщений: 3 907
  • Меня зовут:Сергей
  • Откуда:Калининград

Отправлено 24 Февраль 2025 - 20:34

при открытом кране чистой воды - там не то чтобы совсем нет, капает немного, ну считай что нет

 

Сделал слив 1/1  - TDS 5

оставьте хотя бы на ночь, пусть прольется в таком режиме, утром замерьте.



#152 DNK

DNK

    Продвинутый пользователь

  • Brandname
  • PipPipPip
  • Cообщений: 20 321
  • Меня зовут:Дмитрий

Отправлено 24 Февраль 2025 - 20:42

Я не верю на слово, тем более когда это противоречит элементарной логике )

Честно скажу - мне недосуг объяснять банальные вещи. Делайте, как вам угодно.
 

Мне очень жаль тех 400 человек, кто поверил вам на слово ))

Интересно, если бы работало плохо, как думаете, народ бы молчал? Вопрос риторический, отвечать не нужно.

2 All. Если честно, я бы сейчас охренел. Но - подобное не первый раз, поэтому уже как-то попривык. Однакож я думал, что уж в случае двухстадийных установок обратного осмоса не отыщется такого гения, который прямо заявит мне то, что отквочено. Но я ошибся :) Прав был Эйнштейн с оценкой истинной бесконечности...



#153 SergeyL

SergeyL

    Продвинутый пользователь

  • Пользователи
  • PipPipPip
  • Cообщений: 3 907
  • Меня зовут:Сергей
  • Откуда:Калининград

Отправлено 24 Февраль 2025 - 21:16

Честно скажу - мне недосуг объяснять банальные вещи. Делайте, как вам угодно.
 

Интересно, если бы работало плохо, как думаете, народ бы молчал? Вопрос риторический, отвечать не нужно.

2 All. Если честно, я бы сейчас охренел. Но - подобное не первый раз, поэтому уже как-то попривык. Однакож я думал, что уж в случае двухстадийных установок обратного осмоса не отыщется такого гения, который прямо заявит мне то, что отквочено. Но я ошибся :) Прав был Эйнштейн с оценкой истинной бесконечности...

Боже мой, сколько пафоса ))

Ваша установка конечно имеет право на жизнь, но будет работать только в определенных условиях, точнее при определенном входном давлении, ели оно выше - вторая ступень не будет промываться и просто забьется и/или будет сильно фонить, если ниже - то производительнось резко падает. Не думаю, что вы это не понимаете, но тем не менее продаете ее. 

Лох не мамонт, не вымрет. Почему бы на этом не заработать  :biggrin:



#154 DAN 555

DAN 555

    Продвинутый пользователь

  • Пользователи
  • PipPipPip
  • Cообщений: 280
  • Меня зовут:Денис
  • Откуда:Москва

Отправлено 24 Февраль 2025 - 21:52

Да сливал уже по вашей схеме. Вся фигня в том что у меня минимальный TDS что по вашей схеме, что по схеме Дмитрия, все равно 4, как не подключай. Мне кажется что что то тут в другом дело, не могу понять где.
Люди пишут: - собрал двухстадийку, ТДС 1-2, поставил смолу , получил 0. Но у меня так это не работает….

#155 SergeyL

SergeyL

    Продвинутый пользователь

  • Пользователи
  • PipPipPip
  • Cообщений: 3 907
  • Меня зовут:Сергей
  • Откуда:Калининград

Отправлено 24 Февраль 2025 - 22:01

Да сливал уже по вашей схеме. Вся фигня в том что у меня минимальный TDS что по вашей схеме, что по схеме Дмитрия, все равно 4, как не подключай. Мне кажется что что то тут в другом дело, не могу понять где.
Люди пишут: - собрал двухстадийку, ТДС 1-2, поставил смолу , получил 0. Но у меня так это не работает….

Грамотно расчитать, собрать и настроить - получите 1-2

тут нет никакого шаманства, все работает как часики.

я бы не приговаривал мембрану сразу, может не в ней дело. 



#156 DNK

DNK

    Продвинутый пользователь

  • Brandname
  • PipPipPip
  • Cообщений: 20 321
  • Меня зовут:Дмитрий

Отправлено 25 Февраль 2025 - 05:19

но будет работать только в определенных условиях, точнее при определенном входном давлении

Ещё раз. Наша установка была продана в количестве 400 штук. Работала как на нулевом входном давлении, так и 8 атм. Разумеется, все промежуточные варианты также были. Плюс установка работала на разном солесодержании - от TDS 30 до более 2000. Разумеется, и все промежуточные варианты тоже были. Ни разу и никогда (sic!) не было проблем, связанных с инженерным решением. Также производительность и степень очистки во всех этих вариантах была крайне близка к обещанной, а нередко и превышала заявленные параметры.

 

Кстати, кто запамятовал - вообще аквариумные двухстадийные ОО начались с того, что я себе сделал двухстадийку и через несколько лет подробно рассказал об этом в статье. Насколько мне известно, никто до меня не делал двухстадийки для аквариума. А вот что совершенно точно - никто не описывал принципы построения, и вообще для чего это аквариумистам нужно, в виде статьи, написанной простым языком. Так что сначала была практика, потом теоретическая проработка, потом испытания нескольких прототипов, а потом - мелкосерийное производство. И уже затем - подведение итогов более чем 4-х летней работы этих установок.  TWO показали себя просто блестяще.

 

Так что - я скажу как на духу - мне начхать, что тут пишут люди, которые по сравнению со мной не знают даже малой доли об этом вопросе. Спорить, и что-то доказывать я не буду - если меня не хотят слушать - то это просто не имеет смысла. У нас же хобби? Вот и развлекайтесь.



#157 SergeyL

SergeyL

    Продвинутый пользователь

  • Пользователи
  • PipPipPip
  • Cообщений: 3 907
  • Меня зовут:Сергей
  • Откуда:Калининград

Отправлено 25 Февраль 2025 - 09:03

 мне начхать, что тут пишут люди, которые по сравнению со мной не знают даже малой доли об этом вопросе. 

Основа работы обратного осмоса это разница давлений на мембране, для наших мембран она должна быть 4-6 бар, тогда мы получаем требуемый объем пермеата и заявленную степень очистки, рабочее давление для этих мембран от 2 до 7 бар.

Если вы утверждаете, что ваша установка прекрасно работает при входном давлении 8 бар, то есть на сливе концетрата и на входе второй ступени у вас минимум 8 бар, то на входе первой ступени у вас должно быть минимум 12 бар !!! ваш насосик не даст такого давления даже при отсутствии расхода, да и корпус мембраны, расчитанный максимум на 6 бар, рано или позно рванет.  :) 

Я не отбираю у вас пальму первенства, но за 10 лет можно было хоть немного разобраться в вопросе, там не так все сложно, или воспользоваться программами расчета двухступенчатого ОО. Но увы, вы не поняли своих ошибок и продолжаете их навязывать тем кто еще не разобрался.



#158 DNK

DNK

    Продвинутый пользователь

  • Brandname
  • PipPipPip
  • Cообщений: 20 321
  • Меня зовут:Дмитрий

Отправлено 25 Февраль 2025 - 09:51

но за 10 лет можно было

Сергей, вы мне с какой целью пишете? Чтобы я указал вам, где именно вы не правы, потом разъяснил, почему, а потом продирался сквозь ваше невежество и предубеждение в попытках доказать свою очевидную правоту? Мне это не интересно.
 
2All Нет смысла слушать, что пишет Сергей. Потому что он не понимает элементарных вещей. Он даже не представляет сколько давления падает на ULP мембране! Не знаю, кому как, а по мне - это просто зашквар.
 
В общем, как я уже написал в предыдущем сообщении - или делайте по схеме нашей установки, или развлекайтесь, сколько влезет. Я умываю руки.
 
Вообще, картинка прикольная. Любую тему на форуме можно поднимать каждый год и каждый год она будет как в первый раз. Все уже забыли, сколько уже было сделано двухстадиек форумчанами?!



#159 SergeyL

SergeyL

    Продвинутый пользователь

  • Пользователи
  • PipPipPip
  • Cообщений: 3 907
  • Меня зовут:Сергей
  • Откуда:Калининград

Отправлено 25 Февраль 2025 - 10:14

Сергей, вы мне с какой целью пишете? 

Я не вам пишу, вас уже не исправить ) 

 

И уж точно не собираюсь у вас учиться)

 

Я хочу помочь коллегам самим разобраться и сделать правильно, а не повторять глупости за "великим гуру"



#160 R.P.M

R.P.M

    Новичок

  • Пользователи
  • Pip
  • Cообщений: 4
  • Меня зовут:Александр

Отправлено 10 Апрель 2025 - 10:57

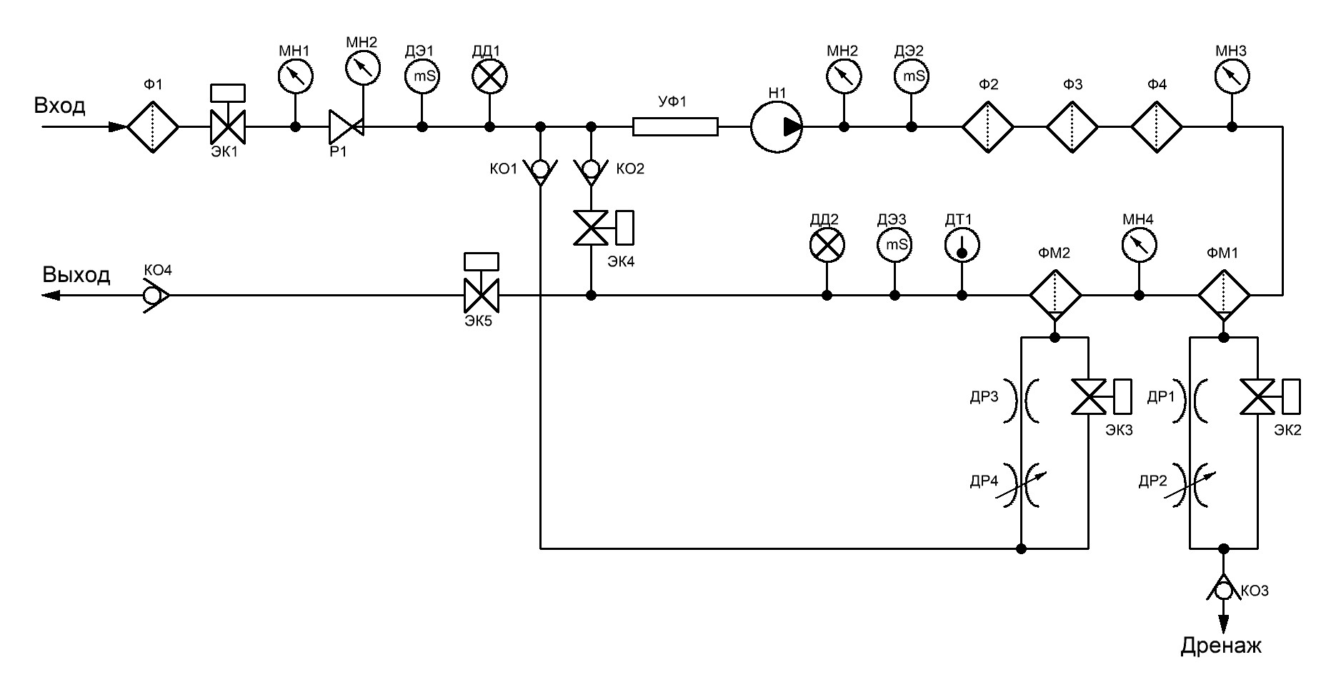
Добрый день, господа аквариумисты! Случайно наткнулся на ваш форум, проектируя двухступенчатую систему очистки воды на базе мембран обратного осмоса. Вижу, что тут большое количество людей, которые хорошо ориентируются в данной теме. У меня получилась такая схема, прошу конструктивную критику!

 

Ф1 — фильтр грубой очистки (грязевик)
ЭК1-ЭК5 — электромагнитные клапаны
МН1-МН4 — манометры 
Р1 — редуктор давления
ДЭ1-ДЭ3 — датчики электропроводности 
ДД1 — датчик низкого давления
ДД2 — датчик высокого давления
УФ1 — ультрафиолетовый стерилизатор
Н1 — насос 
Ф2-Ф4 — фильтры механической очистки
ФМ1-ФМ2 — фильтры мембранные
ДР1,ДР3 — рестрикторы
ДР2,ДР4 — игольчатые краны
КО1-КО4 — обратные клапаны
ДТ1 — датчик температуры
 
Управление электромагнитными клапанами осуществляется с помощью программируемого реле. Клапан ЭК5 открывается, а ЭК4 закрывается, когда будет достигнут необходимый уровень очистки по датчику ДЭ3. ЭК2, ЭК3 — клапана «продувки» мембран. Остальное, вроде, примерно аналогично тому, что тут обсуждали… 

Прикрепленные изображения

  • Осмос.jpg





Количество пользователей, читающих эту тему: 1

0 пользователей, 1 гостей, 0 анонимных