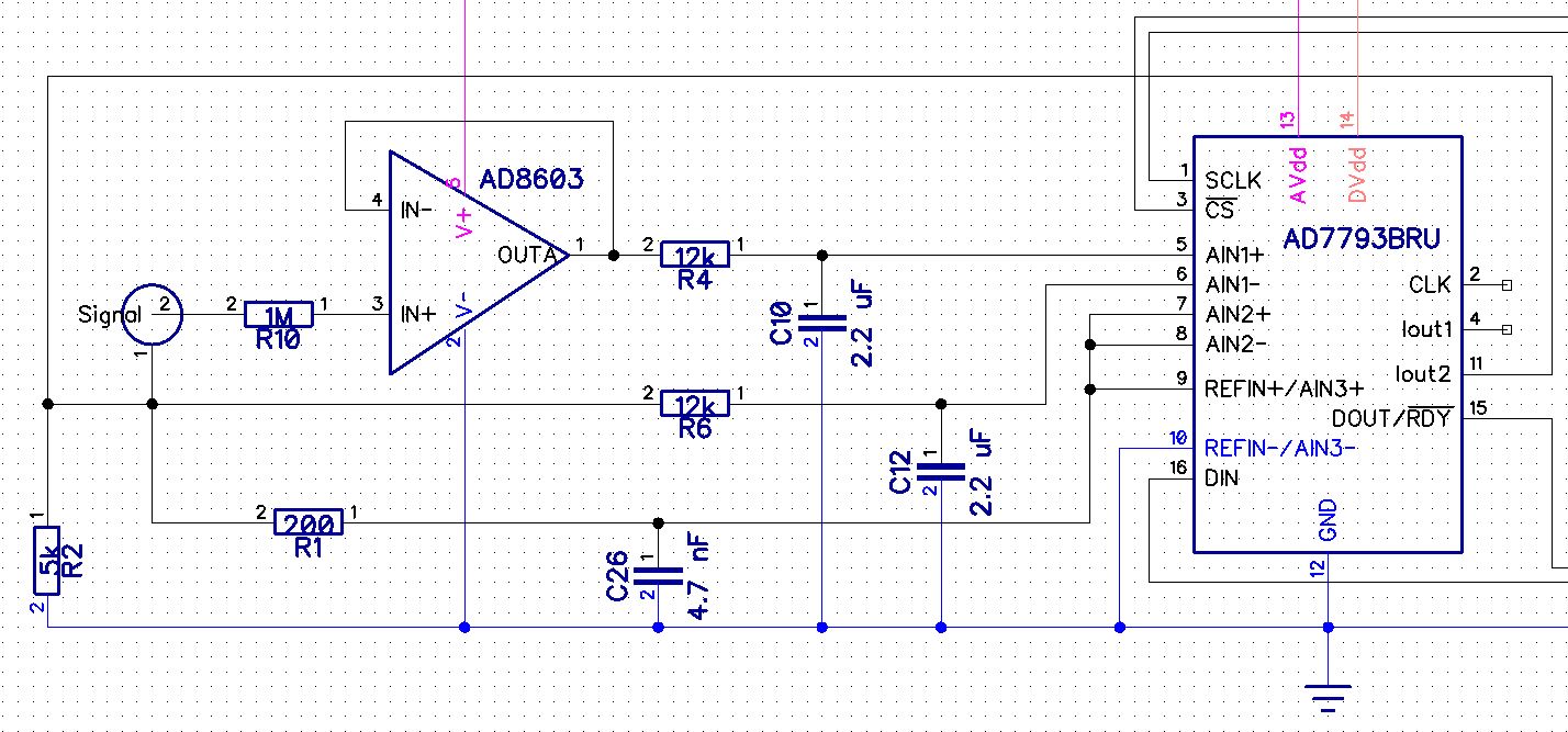
Добрый вечер и с новым годом всех. Мне тут нечего делать было и собрал второй пш метр. Был удивлён в качестве операционника. Один брал в чип дип. Второй с али пришёл 4 месяца ждал. Разница в 0.5 при идиальном электрод (когда замыкает контакт). Или я не то делаю?
разброс элементов, пайка, флюсы, эта разница в 0.5 нивелируется калибровкой. В теме не нашел, есть исходники прошивки? В курсоре написать не проблема, может есть у кого чтобы время не тратить. Интересует работа платы в условиях сильных пром помех, мерять pH в баке с жидкостью на производстве. Для своей платы написал (не той что в теме, но тоже разработанной по CN-0326), но не работает как надо. Вот лог "cmd":"getAd7793","ok":true,"err":0,"spi_rc":0,"stage":"readdata_xfer","reg":3,"id_raw":75,"id":11,"status":8,"rdy":false,"ready":true,"ch":0,"mode":4,"conf":0,"data":-2581125,"init_mode_written":4,"init_mode_read":4,"init_mode_match":true,"init_conf_written":0,"init_conf_read":0,"init_conf_match":true,"init_error":0,"init_stage":11,"using_temp_driver":false,"main_driver_exists":true,"task_created":true,"task_reached_driver_creation":true,"spi_created":true,"cs_gpio_created":true,"event_group_created":true,"queue_created":false,"mutex_created":true,"task_init_error":0}"










